|
|
| MBSE的图例 |
| |
| 俎涛,火龙果软件工程技术中心 |
| |
| 方案简介 |
| |
| MBSE(基于模型的系统工程)是对复杂系统进行分析设计和开发的有效方法。为了帮助客户有效实施MBSE,由教练采用客户行业案例,
带领客户团队,实施完整的MBSE过程,包括:系统需求建模、系统设计建模、软件需求建模/软件设计建模/基于模型的代码生成、硬件需求建模/硬件设计建模/基于模型的代码生成、基于模型的质量验证。在实施过程中,采用基于建模工具EA或者其他支持MBSE的建模工具,结合相关的建模规范SysML和UML,实现如下环节:建模、文档生成、模型仿真与验证、代码生成、质量跟踪、变更管理。 |
| |
 |
| |
| MBSE路线图 |
| |
1. MBSE(模型驱动的系统工程)概览
• MBSE的目标
• MBSE涉及的角色:产品经理,系统工程师,软件工程师,硬件工程师
• MBSE的过程
• MBSE的工件
• MBSE的支持工具
• MBSE在各个行业的发展情况
2.基于模型的系统分析、设计、开发与验证(基于SysML)。
• 系统需求分析建模
• 系统分析与建模
• 系统架构设计与建模
• 模块设计与建模
• 软件和硬件接口建模,划分软件和硬件边界
• 模型仿真与验证
3. 基于模型的软件分析、设计、开发与验证(基于UML)
•软件需求分析与建模
•软件架构设计与建模
•软件详细设计与建模
•代码生成
•模型仿真与验证
4.基于模型的物理系统建模与仿真(基于Modelica)
•静态结构建模
•动态逻辑建模
•模型仿真与验证
|
| 基于SysML进行系统分析设计建模 |
| |
| Sys
ML是OMG推出的专门面向系统分析设计的建模语言,可以对系统结构进行自顶向下的分解建模,可以帮助系统工程师分解复杂系统的结构,如下是Sys
ML的结构定义图。 |
|
 |
| |
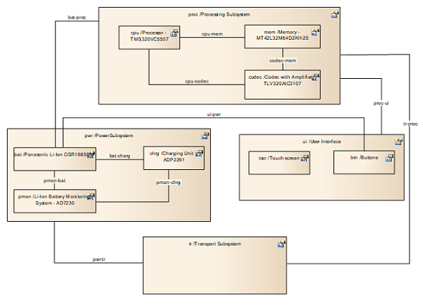
| Sys ML还可以对一个系统的内部各个结构的构成进行建模,如下是系统的内部模块定义图 |
|
 |
| |
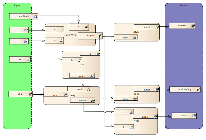
| Sys ML还可以对系统的动态逻辑进行建模,如下是用来描述控制逻辑的参数图: |
|
 |
| 基于UML进行系统分析设计建模 |
| |
| UML是OMG定义的面向软件建模的标准语言,可以帮助软件工程师对软件需求、软件架构、软件详细设计、软件代码进行建模。 |
| 如下是对软件需求建模的用例图: |
|
 |
| 如下是对软件架构进行建模的部署图 |
 |
| 如下是对软件架构进行建模的组件图: |
 |
| 如下是对数据模型建模的表图: |
 |
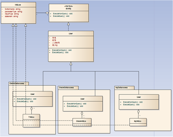
| 如下是对软件详细设计进行建模的类图 |
 |
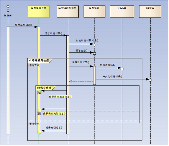
| 如下是对代码模块之间交互建模的顺序图: |
 |
| 基于Modelica进行物理建模 |
| Modelica语言由瑞典的非赢利组织Modelica协会制定和维护的面向大规模复杂异构物理系统的面向对象建模语言,适用于多个领域,例如:机械装置、电力设备、液压控制系统等领域的物理系统建模。Modelica模型用微分、代数和离散方程描述,无需人工求解特定的变量,支撑Modelica的工具可以自动求解(已有专门的算法可对超过10万个方程的大型模型进行处理)。Modelica适合并已用于半实物仿真和嵌入式控制系统。 |
|
| Modelica是基于微分代数方程计算的动态性能仿真模型二次开发语言,支持连续和离散系统建模与仿真计算,可跨越不同领域,方便地实现大型、复杂、多种学科组成的物理系统的建模。而Modelica语言则为工程领域建模工程师提供一种方便的,简单的,可用于仿真模型二次开发的语言和技术。 |
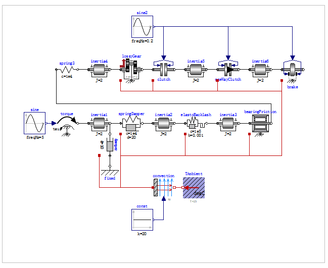
| 如下是Modelica建模的轮动控制的热损失模型: |
 |
| |
| MBSE的支持工具平台: |
| 为了支持MBSE的方法论落地,火龙果选择MBSE中的各个环节的主流工具,集成为MBSE工具方案,打通各个工具之间的接口,实现MBSE贯穿数据流,并提供工程仓库集中存储各种工程数据。
|
|
 |
| 相关的服务 |
|
| 为了支持技术团队实施MBSE,火龙果提供如下技术服务:
|
| 咨询服务 |
咨询:从传统开发过渡到MBSE工程实践
咨询:MBSE工程体系构建与工具平台搭建 |
| 培训课程 |
课程:MBSE工程实践概览
课程:基于Sys ML的系统分析设计与建模
课程:基于UML的软件分析设计与建模
课程:基于matlab的算法那分析设计与建模
课程:基于Modelica的物理系统分析设计与建模
课程:MBSE集成验证与管理平台 |
| 软件产品 |
建模工具: •UML和SysML建模工具:EA,Rhapsody,
•Modelica 建模工具 :OpenModelica
•算法建模工具:Matlab
基于模型的自动化文档生成工具:docGenerator
需求管理工具:iSpace/iWork,Doors
工程集成管理平台integrator:支持需求管理、模型管理、文档管理、工作流程管理 |
| 定制开发 |
各种工具之间的接口 |
|
| 咨询服务 |
咨询:从传统开发过渡到MBSE工程实践
咨询:MBSE工程体系构建与工具平台搭建 |
| 培训课程 |
课程:MBSE工程实践概览
课程:基于Sys ML的系统分析设计与建模
课程:基于UML的软件分析设计与建模
课程:基于matlab的算法分析设计与建模
课程:基于Modelica的物理系统分析设计与建模
课程:MBSE集成验证与管理平台 |
| 软件产品 |
建模工具: •UML和SysML建模工具:EA,Rhapsody,
•Modelica 建模工具 :OpenModelica
•算法建模工具:Matlab
基于模型的自动化文档生成工具:docGenerator
需求管理工具:iSpace/iWork,Doors
工程集成管理平台integrator:支持需求管理、模型管理、文档管理、工作流程管理 |
| 定制开发 |
各种工具之间的接口 |
|
|
|
|